LC200绿巨人黄色视频下载安装使用说明书下载
点击下载:LC200绿巨人黄色视频下载安装使用说明书.pdf
- LC200绿巨人黄色视频下载安装使用说明书目录
一、LC200系列仪表概述 — TOP
LC200系列仪表被设计用于诸如皮带秤、配料秤、定量秤、料斗秤、减重秤、失重秤等连续累计自动衡器的称重显示控制器,并严格按照Q/140000LC001-2007《LC200称重显示控制器》企业标准研制生产。LC200系列仪表具有多种可选择的通讯联网接口和可扩展的控制接口,可以满足用户多种计量、检测、控制和联网的需求,全中文图形显示方式提供了丰富的运行数据和简洁的操作界面,并具有盘装、台式、壁挂三种结构方式,用户可根据安装环境和使用方式选用相应的机型。

本说明书提供LC200系列仪表的选型、安装、调试、操作和维护的方法。
仪表交货时的注意事项
用户拆开LC200仪表的包装箱时,请认真确认:
- 1) 在运输过程中是否有损坏
- 2) 仪表铭牌数据是否与订货一致
- 3) 随仪表一起发送的附件是否齐全
- 4) 通电检查仪表显示功能和按键操作是否正常。
二、技术指标 — TOP
2.1工作原理 — TOP
仪表通过接收与皮带秤或螺旋秤称量段上输送的物料重量成正比的模拟信号及与输送带运行速度或螺旋转速成正比的脉冲信号或电压,电流信号计算出物料的累计重量,流量,速度,载荷等数据。对定流量给料控制系统,仪表通过实际流量与设定的目标流量进行比较,根据其偏差及控制算法进行控制,输出控制信号至相应控制设备(如变频器,电振给料机等),从而改变给料机的实际给料量,使之达到目标流量。
2.2适用范围例举 — TOP
1. 计量皮带秤2. 配料皮带秤
3. 定量皮带秤
4. 配料螺旋秤
5. 配料失重秤
6. 定量加料秤
2.3技术规格 — TOP
2.3.0总技术规格 — TOP
项目 | 技术指标 | |
—般规格 | 电源范围 | AC85~264V,50/60HZ |
功率 | <15W | |
电源保险丝容量 | 250V,0.5A | |
温度范围 | -10~40℃ | |
相对湿度 | <90%RH | |
外形尺寸 | 盘装开孔尺寸:153X78mm(宽X高) | |
盘装箱体尺寸:150X75X140mm(宽X高X深) | ||
壁挂箱体尺寸:190X250X88mm(宽X高X厚) | ||
台式箱体尺寸:275X94X200mm(宽X高X深) | ||
重量 | 1.5~3kg | |
环境防护能力 | 盘装仪表和台式仪表防护能力不低于IP51级 | |
壁挂仪表防护能力不低于IP62级 | ||
累计量显示范围 | 0~999999t,0~999999Kg | |
校准时累计量分度值 | 0.1kg | |
瞬时流量显示范围 | 0~9999t/h,0~9999Kg/h | |
静电放电 | 接触放电:6kV(试验等级为3级) | |
电磁兼容 | 电快速瞬变脉冲群 | 电源端口:电压峰值:lkV(试验等级为2级) |
信号线端口:电压峰值:0.5kV(试验等级为1级) | ||
抗电磁场福射 | 频率:80MHz至1000MHz | |
场强:3V/m(试验等级为2级) | ||
调制:80%调幅,1kHz正弦波 | ||
重量信号 | 非线性误差 | <0.03%F.S |
传感器激励电压/电流 | DC5V,150mA,可连接8个350Ω的传感器 | |
输入信号范围 | 0~15mV | |
A/D内码 | 100000(10mV) | |
A/D转换速率 | 100次/秒(典型值,可设置其它速率) | |
仪表灵敏度 | 0.1μV/d | |
线缆长度 |
模拟传输500m(Max.RVVP6x0.5mm²) 数字传输1200m(Max.RVVP2x0.5mm²) |
|
速度信号 | 速度传感器类型 |
1:NPN集电极开路光电式 2:二线制磁电式 3:二线制或三线制(NPN)接近开关 |
速度传感器电压/电流 | DC12V,50mA(Max) | |
频率范围 | 1~2000Hz | |
信号电压幅度 | >4V(峰-峰) | |
zui大信号电压幅度 | 60V(峰-峰) | |
滞后电压 | ±0.3V | |
线缆长度 |
模拟传输500m(Max.RVVP3x0.5mm²) 数字传输1200m(Max.RVVP2x0.5mm²) |
|
模拟量输出 | 数量 | 2路光隔输出 |
电流输出 | 0~20mA,4~20Ma可选择 | |
电压输出 | 0~5V,0~10V,可选择 | |
使用外置电阻器将电流转换为电压。 | ||
例如:500Ω电阻可将20mA转换为10V。 | ||
zui大负载 | 500Ω(0~20mA,4~20mA) | |
分辨率 | 12位 | |
精度 | 0.001 | |
隔离电压 | 1000VDC(Min.) | |
功能 | 1:PI控制输出2:输出流量信号 | |
模拟量输入 | 电流输入 | 0~20mA,4~20mA可选择 |
电压输入 | 0~5V,0~10V可选择 | |
输入阻抗 | 150〇(0~20mA,4~20mA)>10KQ(0~10V,0~5V) | |
分辨率 | 10位 | |
精度 | 0.2% | |
功能 | 1:设定给定流量2:速度信号 | |
开关量输出 | 数量 | 4路,其中D01、D02、D03为电磁继电器,D04为光耦输出 |
隔离电压 | 2500VDC(Min.) | |
负载 | 电磁继电器:zui大AC250V,zui大2A; | |
光耦:zui大DC55V,zui大50mA | ||
功能 |
1:吨脉冲输出 2:故障报警输出 3:配料皮带机启动 4:预给料机启动 5:缺料输出 6:电流环大屏幕显示累计量(仅限D04) 7:电流环大屏幕显示瞬时量(仅限D04) 8:电子秤运行 9:定量停机 |
2.3.1 LC200-B技术规格 — TOP
项目 | 技术指标 |
电源范围 | AC85~264V,50/60HZ |
功率 | 〈15W |
电源保险丝容量 | 250V,0.5A |
温度范围 | -10~40℃ |
相对湿度 | <90%RH |
外形尺寸 | 190X250X88mm(宽X高X厚) |
自重 | 1.5~3kg |
环境防护能力 | 不低于IP62级 |
累计量显示范围 | 0~999999t,0~999999Kg |
校准时累计量分度值 | 0.1kg |
瞬时流量显示范围 | 0~9999t/h,0~9999Kg/h |
静电放电 | 接触放电:6kV(试验等级为3级) |
2.3.2LC200-P技术规格 — TOP
项目 | 技术指标 |
电源范围 | AC85~264V,50/60HZ |
功率 | 〈15W |
电源保险丝容量 | 250V,0.5A |
温度范围 | -10~40℃ |
相对湿度 | <90%RH |
外形尺寸 | 150X75X140mm(宽X高X深) |
自重 | 1.5~3kg |
环境防护能力 | 不低于IP51级 |
累计量显示范围 | 0~999999t,0~999999Kg |
校准时累计量分度值 | 0.1kg |
瞬时流量显示范围 | 0~9999t/h,0~9999Kg/h |
静电放电 | 接触放电:6kV(试验等级为3级) |
2.3.3LC200-T技术规格 — TOP
项目 | 技术指标 |
电源范围 | AC85~264V,50/60HZ |
功率 | 〈15W |
电源保险丝容量 | 250V,0.5A |
温度范围 | -10~40℃ |
相对湿度 | <90%RH |
外形尺寸 | 150X75X140mm(宽X高X深) |
自重 | 1.5~3kg |
环境防护能力 | 不低于IP51级 |
累计量显示范围 | 0~999999t,0~999999Kg |
校准时累计量分度值 | 0.1kg |
瞬时流量显示范围 | 0~9999t/h,0~9999Kg/h |
静电放电 | 接触放电:6kV(试验等级为3级) |
三、安装与调试 — TOP
3.1安装 — TOP
3.1.1基本要求 — TOP
1.环境温度
本系列仪表要求在-10°C~40°C,湿度低于85%的环境工作。2.安装现场
- (1) 本系列仪表的安装现场应满足以下条件:
- (2) 无腐蚀、易燃易爆气体、液体。
- (3) 无严重粉尘、漂浮性的纤维及金属颗粒。
- (4) 安装或放置场所无强烈震动。
- (5) 避免阳光直射。
- (6) 无强电磁干扰。
3.供电和?接地
LC200系列显示仪表使用带有保护地的220V交流电源,如果没有保护地,需另外接地线以保证安全。注意不要将地线直接接到其它设备上。3.1.2安装方法 — TOP
LC200-P(盘装式显示仪表)盘装:
- (1) 在安装面板上,根据安装位置开方孔153x78mm。
- (2) 将仪表两侧的插条从导轨内抽除,然后将仪表从安装面板前面插入方孔内,然后从面板后面将仪表两侧的插条插入导轨并锁紧固定螺丝。
- (3) 到达仪表接线端子的线缆,应在接近端子的地方具有可靠的承重和固定卡子或线槽,以免接线端子由于线缆重力导致滑脱或接触不良。
LC200-B(壁挂式显示仪表)壁挂:
- (1) 在混凝土、砖墙等可靠结实的墙壁上安装4个M8螺栓,间距为170x272mm。
- (2) 将仪表背后的4个安装孔对齐到安装螺栓并锁紧固定螺母。
- (3) 到达仪表接线端子的线缆,应在接近端子的地方具有可靠的承重和固定卡子或线槽,以免接线端子由于线缆重力导致滑脱或接触不良。
LC200-T(台式显示仪表)台式:
- (1) 在操作平台上妥善放置仪表,若仪表有自行滑落的可能,应采取防滑保护或限制措施。
- (2) 仪表后方应至少有30cm以上的接线空间。
- (3) 到达仪表接线端子的线缆,应在接近端子的地方具有可靠的承重和固定卡子或线槽,以免接线端子由于线缆重力导致滑脱或接触不良。

3.2仪表配线 — TOP
3.2.0注意事项 — TOP
- (1) 仪表电源输入口及接地用接线柱必须可靠接地。
- (2) 仪表通电前应认真核实输入电压是否与要求一致。
- (3) 禁止将传感器信号电缆与电源电缆、电气电缆混合布线,应保持合理距离(按相关规范布线),以避免可能造成的干扰与感应雷击。
- (4) 控制器背面接口电缆自处应留有足够的自由空间与自由长度,以便于维修时拔插。
- (5) 禁止利用仪表的输出电压为本操作手册规定之外的设备供电。
- (6) 为过电流保护与停电维护的方便,建议将仪表通过空气开关与电源相连。
3.2.1配线要求 — TOP
- 1. 屏蔽电缆的屏蔽层不可悬空,屏蔽层接入各自的SHIE端子。
- 2. 为了减少重量信号被干扰的程度,重量信号和速度信号建议不要使用同一根屏蔽电缆,使用独立的屏蔽电缆。
- 3. 重量信号线长度在60m以内可以采用四芯屏蔽电缆(RVVP4X0.5mm2),超过60m推荐使用六芯屏蔽电缆(RVVP6X0.5mm2),电缆zui长距离为300m。
- 4. 速度信号线推荐使用三芯屏蔽电缆(RVVP3X0.5mm2),电缆zui长距离为300m。
- 5. 模拟量输入、输出信号线推荐使用二芯屏蔽电缆(RVVP2X0.5mm2),电缆zui长距离为500m。
- 6. RS485通讯线推荐使用二芯屏蔽电缆(RVVP2X0.5mm2),电缆zui长距离为1200m。
- 7. CAN通讯线根据通讯距离长度,选用2X0.5mm2或2X1mm2双绞线屏蔽电缆,电缆zui长距离为l0km(5Kbps)。
- 8. 以太网通讯线选用5类以上双绞线。
- 9. 开关量输入、输出信号线选用导线截面积不小于0.5mm2多股软线护套电缆或屏蔽电缆。
3.2.2接线端子布局 — TOP
3.2.2.1盘装式仪表接线端子布局

LC-200-B(盘装)接线端子布局
3.2.2.2台式仪表接线端子布局

LC-200-T(台式)接线端子布局
3.2.2.3壁挂式仪表接线端子布局

LC-200-B(壁挂式)接线端子布局
3.2.3模拟量输入输出接口的连接 — TOP
模拟量输入输出接口的电流范围为0-20mA,连接如下图所示。
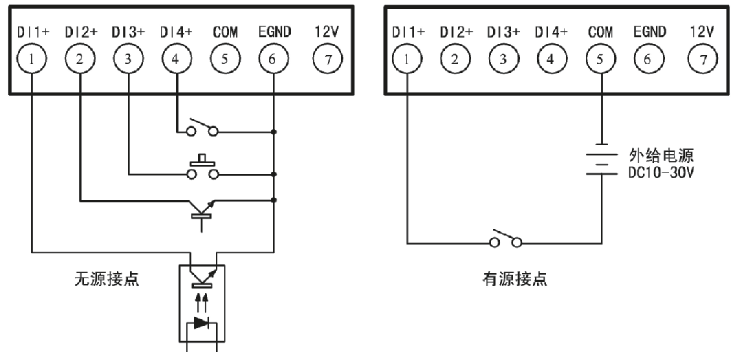
3.2.4开关量接口的连接 — TOP
3.2.4.1开关量输入接口?的连接
开关量输入接口可外接无源接点或外接10-30V直流电压信号。
下图举例说明了4路外接无源触点和1路外给直流电压信号的例子。

3.2.4.2开关量输出接口的连接
开关量输出接口第1、2、3路为继电器触点输出,第4路为光隔0C门输出。因此第1、2、3路可直接控制外部负载如接触器等设备,第4路需外给直流电压(zui大24V)才能控制负载注意外部负载。注意:对于第1、2、3路的外部负载不要超过继电器触点容量,第4路外部负载电流不要超过光隔的zui大负载能力。

3.2.5重量接口的连接 — TOP
LC200系列仪表具有2种重量信号的连接方式:模拟方式和数字方式。当采取模拟方式时,外部重量传感器直接接入重量接口。
当采取数字方式时,重量接口将通过RS485数据总线通讯方式,获取在远程安装的重量速度变送器采集到的重量信号(也包括速度信号)。

3.2.6速度接口的连接 — TOP
速度传感器通常具有2种类型:光电式速度传感器和磁电式速度传感器,当仪表设置为速度内给方式时,速度传感器也可采用皮带开停传感器代替。当重量采用数字方式连接时,速度信号将由远程的重量速度变送器提供,故速度接口空闲不用。

3.2.7通讯接口的连接 — TOP
LC200系列仪表通过可选的通讯接口板,支持RS232、RS485、Profibus、CANBUS、Ethernet等通讯方式。下图显示了不同方式时的连接方法。采用Ethernet通讯方式时,仪表将另外提供标准的RJ45网络插座供连接。
3.2.8打印机接口的连接 — TOP
打印接口与外接串行通讯微型打印机器连接。
3.2.9电源接口的连接 — TOP
外接单相220V交流电源,并注意E极应连接到可靠的接地线上。
相关产品:LC200绿巨人黄色视频下载安装