绿巨人黄色视频下载安装也叫称重显示控制仪表,是将绿巨人视频免费下载在线观看信号(或再通过重量变送器)转换为重量数字显示,并可对重量数据进行储存、统计、打印的电子设备。对绿巨人黄色视频下载安装有效的日常维护,...
  绿巨人视频免费下载在线观看的正蠕变和负蠕变
绿巨人视频免费下载在线观看的蠕变,是指传感器在恒定的环境中(如温度、湿度等)和其它可变化量保持不变(如力产生系统稳定性、加载和装夹条件等),当传感器快速施加恒定载荷和快速卸掉恒定载...
  耐高温称重技术难点分析
耐高温称重技术,需要重点解决绿巨人视频免费下载在线观看、承载秤体装置、称重信号传输的耐高温难题。虽然国内耐高温称重技术得到了较好的发展和应用,并取得了相应的成果,但还存在一些关键...
  如何选择绿巨人视频免费下载在线观看的准确度等级
如何选择绿巨人视频免费下载在线观看的准确度等级R60《绿巨人视频免费下载在线观看》国际建议将传感器分为四个准确度等级:A级、B级、C级、D级。并规定了每个等级的分度数上下限。见下表:...
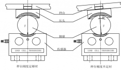
  小型桥式传感器与常规桥式传感器的差异
目前国内对双剪梁型绿巨人视频免费下载在线观看的研究已经很多,参考文献1中讲述了弹性体的应变与外加载荷有较好的线性,弹性体的结构参数、载荷等各种因素对贴片区应变的影响。参考文献2中详细...
 