柯力BHS15-150t绿巨人视频免费下载在线观看产品介绍
柯力BHS15-150t绿巨人视频免费下载在线观看是应变式绿巨人视频免费下载在线观看,其产品的抗侧向力和抗偏载能力好,优良综合精度高,互换性好,长期稳定性好,在皮带秤、吊钩秤、配料秤、称重系统中都有广泛的应用。柯力BHS15-150t绿巨人视频免费下载在线观看的量程范围为15t~150t。


柯力BHS15-150t绿巨人视频免费下载在线观看产品参数
| 额定载荷 | 15,20,30,50,100,150t |
| 精度等级 | 0.05 |
| 灵敏度 | (2.0±0.002)mV/V |
| 线性误差 | ±0.05%F.S |
| 滞后误差 | ±0.05%F.S |
| 蠕变(30min) | ±0.03%F.S |
| 零点温度影响 | ±0.02%F.S/10℃ |
| 灵敏度温度影响 | ±0.02%F.S/10℃ |
| 输入阻抗 | (400±20)Ω |
| 输出阻抗 | (352±3)Ω |
| 绝缘电阻 | ≥5000MΩ |
| 额定温度 | -10℃~+40℃ |
| 工作温度范围 | -30℃~+70℃ |
| 安全负载 | 150%F.S |
| 破坏负载 | 200%F.S |
| 额定激励电压 | 10~12VDC |
| 密封等级 | IP67 |
| 材料 | 合金钢 |
| 电缆长度 | 10m |
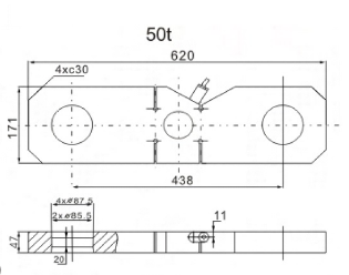
柯力BHS15-150t绿巨人视频免费下载在线观看产品示意图



