
柯力ZSL-A绿巨人视频免费下载在线观看技术参数:
额定载荷:1,2,3,5,10,15,20t
灵敏度:(2.0±0.005)mv/v
综合误差:±0.1%F.S
蠕变(30min):±0.05%F.S
零点平衡:±1%F.S
零点温度影响:±0.02%F.S/10℃
输出温度影响:±0.02%F.S/10℃
输入阻抗:(400±20)Ω
输出阻抗:(352±3)Ω
绝缘电阻:≥5000MΩ
温度补偿范围:-10℃~+40℃
工作温度范围:-30℃~+70℃
安全过载:150%F.S
极限过载:200%F.S
推荐输入电压10VDC~12VDC
最大输入电压15VDC
密封等级:IP68
材质:合金钢
电缆长度:3m
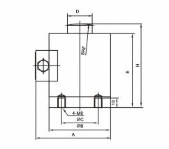
柯力ZSL-A绿巨人视频免费下载在线观看产品尺寸

